Product Type: Spur Gear Planetary Gearbox
Product Size: 60-160
Reduction Ratio: Stage 1:3-10
Stage 2:12-100
Stage 3:64-1000
Backlash: Stage 1: ≤25 arcmin
Stage 2: ≤30 arcmin
Stage 3: ≤35 arcmin
|
Reducer Rotation Inertia Gauge Table |
|||||||
|
Specification |
Unit |
Stage |
Ratio |
ZPLF60 |
ZPLF80/90 |
ZPLF120 |
ZPLF160 |
|
Rotational inertia meter |
kg/cm² |
1 |
3 |
0.064 |
0.77 |
2.63 |
12.14 |
|
4 |
0.064 |
0.77 |
2.63 |
12.14 |
|||
|
5 |
0.064 |
0.77 |
2.63 |
12.14 |
|||
|
7 |
0.064 |
0.77 |
2.63 |
12.14 |
|||
|
8 |
0.77 |
2.63 |
12.14 |
||||
|
10 |
0.064 |
0.77 |
2.63 |
12.14 |
|||
|
2 |
12-40 |
0.064 |
0.50 |
2.63 |
12.14 |
||
|
50-100 |
0.064 |
0.50 |
2.63 |
12.14 |
|||
|
ZPLF Series Performance Table |
||||||||
|
Specification |
Unit |
Stage |
Ratio |
ZPLF60 |
ZPLF80 |
ZPLF90 |
ZPLF120 |
ZPLF160 |
|
Rated output torque T2N |
Nm |
1 |
45 |
42 |
142 |
142 |
280 |
585 |
|
42 |
142 |
142 |
280 |
585 |
||||
|
7 10 |
33 |
92 |
92 |
198 |
378 |
|||
|
15 |
54 |
54 |
95 |
310 |
||||
|
2 |
16 |
42 |
142 |
142 |
280 |
585 |
||
|
20 |
42 |
142 |
142 |
280 |
585 |
|||
|
25 |
42 |
142 |
142 |
280 |
585 |
|||
|
35 |
42 |
142 |
142 |
280 |
585 |
|||
|
40 |
42 |
142 |
142 |
280 |
585 |
|||
|
50 |
42 |
142 |
142 |
280 |
585 |
|||
|
70 |
33 |
92 |
92 |
198 |
378 |
|||
|
100 |
15 |
54 |
54 |
95 |
310 |
|||
|
3 |
64 |
42 |
142 |
142 |
280 |
585 |
||
|
80 |
42 |
142 |
142 |
280 |
585 |
|||
|
100 |
42 |
142 |
142 |
280 |
585 |
|||
|
125 |
42 |
142 |
142 |
280 |
585 |
|||
|
140 |
42 |
142 |
142 |
280 |
585 |
|||
|
175 |
42 |
142 |
142 |
280 |
585 |
|||
|
245 |
42 |
142 |
142 |
280 |
585 |
|||
|
350 |
42 |
142 |
142 |
280 |
585 |
|||
|
400 |
42 |
142 |
142 |
280 |
585 |
|||
|
500 |
42 |
142 |
142 |
280 |
585 |
|||
|
700 |
33 |
92 |
92 |
198 |
378 |
|||
|
1000 |
15 |
54 |
54 |
95 |
310 |
|||
|
Max torque T2NOT |
Nm |
Double-rated output torque |
||||||
|
Max radial force F2aB |
N |
680 |
1750 |
1750 |
3100 |
6550 |
||
|
Max axial force F2aB |
340 |
875 |
875 |
1550 |
3275 |
|||
|
Efficiency |
% |
1 |
98 |
|||||
|
2 |
96 |
|||||||
|
3 |
94 |
|||||||
|
Weight |
kg |
2.1 |
5.0 |
5.0 |
8.8 |
26.4 |
||
|
2.7 |
6.0 |
6.0 |
10.8 |
28 |
||||
|
3.3 |
7.0 |
7.0 |
12.8 |
33 |
||||
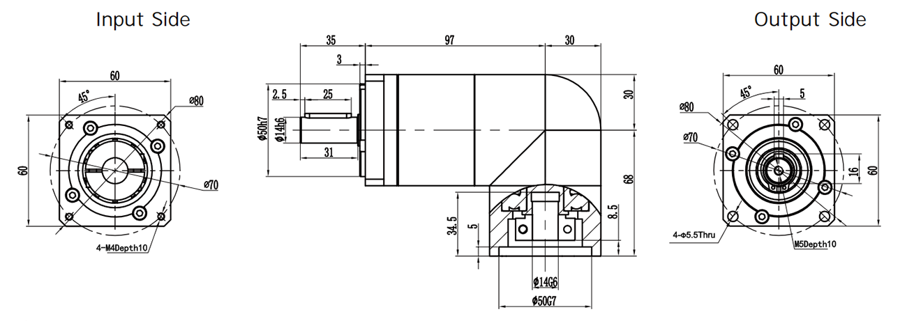
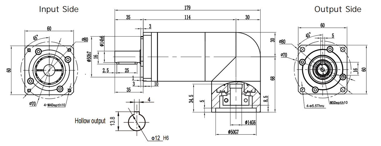
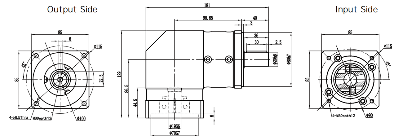
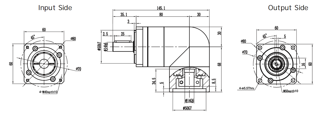
ZPLF60 Two-Stage Outline Diagram

ZPLF60 Three-Stage Outline Diagram

ZPLF80 One Stage Outline Diagram

ZPLF60 One Stage Outline Diagram


Ningbo Mito Intelligent Tech Co.,Ltd., along with its subsidiary Suzhou Mito Intelligent Equipment Co., Ltd., is a leading provider of industrial automation solutions specializing in the sales and customization of high-performance motion control products. With years of deep-rooted expertise in the automation industry, we are committed to delivering innovative, reliable, and efficient solutions to clients worldwide.
Ningbo Mito Intelligent Technology Co., Ltd., along with its subsidiary Suzhou Mito Intelligent Equipment Co., Ltd., is a leading provider of industrial automation solutions specializing in the sales and customization of...
View More