Motor Type: 5IK
Power: 60W
Voltage: 110-380V
Gearbox Ratio: 3-180K
|
Model ·Type Lead Wire Type |
Output power W |
Voltage V |
Frequency Hz |
Speed Control Range r/min |
Allowance Torque |
Starting Torque mN.m |
Current A |
Capacitor μF |
|
|
Pinion Shaft |
1200r/min mN.m |
90r/min mN.m |
|||||||
|
5IK60RGU-AF |
60 |
1ph 100 |
50 |
90~1400 |
460 |
140 |
265 |
1.00 |
20 |
|
60 |
90~1700 |
490 |
160 |
1.10 |
|||||
|
5IK60RGU-EF |
60 |
1ph 110 |
60 |
90~1700 |
490 |
160 |
265 |
0.80 |
12 |
|
1ph 120 |
0.85 |
||||||||
|
5IK60RGU-CF |
60 |
1ph 220 |
50 |
90~1400 |
490 |
140 |
265 |
0.50 |
4.0 |
|
1ph 230 |
0.55 |
||||||||
|
5IK60RGU-HF |
60 |
1ph 220 |
60 |
90~1700 |
490 |
160 |
265 |
0.50 |
4.0 |
|
1ph 230 |
0.55 |
||||||||
|
Type Motor/Gearhead |
Gear Ratio |
3 |
3.6 |
5 |
6 |
7.5 |
9 |
10 |
12.5 |
15 |
18 |
20 |
25 |
30 |
36 |
50 |
60 |
75 |
90 |
100 |
120 |
150 |
180 |
||
|
Speed r/min |
50Hz |
500 |
417 |
300 |
250 |
200 |
166 |
150 |
120 |
100 |
83 |
75 |
60 |
50 |
42 |
30 |
25 |
20 |
16 |
15 |
12 |
10 |
8 |
||
|
60Hz |
600 |
500 |
360 |
300 |
240 |
200 |
180 |
144 |
120 |
100 |
90 |
72 |
60 |
50 |
36 |
30 |
24 |
20 |
18 |
15 |
12 |
10 |
|||
|
5IK60RGUAF□ 5IK60RGUF口 5IK60RGU-CF□ 5IK60RGU-HF□ |
5GU□RC 5GU□RT |
Allowance Torque |
50Hz |
0.75 |
0.90 |
1.25 |
1.50 |
2.37 |
2.76 |
3.06 |
3.95 |
4.73 |
5.51 |
6.13 |
7.89 |
9.47 |
10.2 |
14.2 |
17.0 |
20.0 |
20.0 |
20.0 |
20.0 |
20.0 |
20.0 |
|
7.37 |
8.84 |
12.3 |
14.7 |
24.2 |
27.0 |
30.0 |
40.3 |
48.3 |
54.0 |
60.0 |
80.5 |
96.6 |
104 |
145 |
174 |
200 |
200 |
200 |
200 |
200 |
200 |
||||
|
60Hz |
0.63 |
0.75 |
1.04 |
1.25 |
1.91 |
2.30 |
2.55 |
3.18 |
3.82 |
4.59 |
5.11 |
6.36 |
7.64 |
8.25 |
11.5 |
13.7 |
17.2 |
20.0 |
20.0 |
20.0 |
20.0 |
20.0 |
|||
|
6.14 |
7.37 |
10.2 |
12.3 |
19.5 |
22.5 |
25.0 |
32.5 |
39.0 |
45.0 |
50.0 |
64.9 |
77.9 |
84.1 |
117 |
140 |
175 |
200 |
200 |
200 |
200 |
200 |
||||

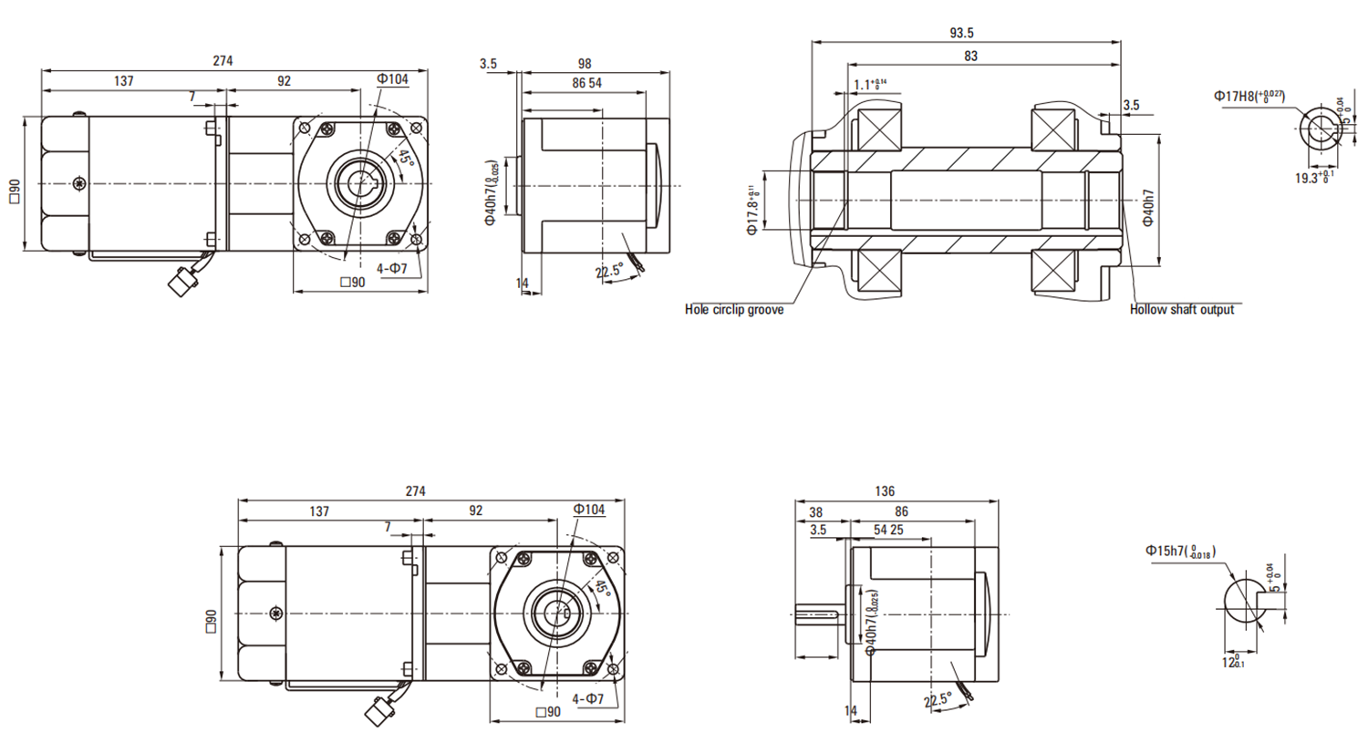
The precision positioning speed control motor is a high-performance power unit designed for industrial automation and light to medium mechanical transmission systems. It is specifically engineered for applications requiring high-accuracy position control, adjustable speed output, and stable torque performance. This model has a rated power of 60W and supports a wide voltage input range of 110V–380V, making it compatible with various regional power standards and enabling flexible deployment in global applications. The motor features a compact structure, allowing easy installation in space-constrained equipment while providing excellent heat dissipation and mechanical strength, ensuring reliable operation and high-precision control over extended periods.
The motor’s optimized stator and rotor structure, combined with advanced winding design, enables smooth and controllable speed adjustment and precise torque output. It effectively mitigates the impact of frequent starts and stops as well as load fluctuations, reducing vibrations and mechanical shocks to connected equipment. Its high-precision speed control capability allows seamless integration into conveyor systems, packaging machinery, sorting equipment, small lifting devices, and automated production lines, ensuring accurate positioning, consistent process flow, and enhanced operational efficiency.
Additionally, the motor supports gearboxes with a reduction ratio range of 3–180K, providing flexible options to adjust output speed and torque according to specific application requirements. When paired with appropriately configured reduction mechanisms and precise speed control, this motor delivers stable torque and high-precision positioning even within a compact footprint, offering reliable, accurate, and efficient power support for industrial automation systems.

Ningbo Mito Intelligent Tech Co.,Ltd., along with its subsidiary Suzhou Mito Intelligent Equipment Co., Ltd., is a leading provider of industrial automation solutions specializing in the sales and customization of high-performance motion control products. With years of deep-rooted expertise in the automation industry, we are committed to delivering innovative, reliable, and efficient solutions to clients worldwide.
Ningbo Mito Intelligent Technology Co., Ltd., along with its subsidiary Suzhou Mito Intelligent Equipment Co., Ltd., is a leading provider of industrial automation solutions specializing in the sales and customization of...
View More