Motor Type: Steering Wheel
Voltage: 24V DC
Power: 400W
|
①Basic parameter |
|||
|
Type |
ZD-CDY20190114001 |
Gearbox direction |
Same as motor |
|
Rated voltage |
24V DC |
||
|
Rated power |
400W |
Encoder |
64 Bites |
|
Rated current |
24A±10% |
Gearbox structure |
Integrated |
|
Rated speed |
3000rpm±10% |
Eficiency |
81% |
|
Rated torque |
1.27N.m |
Gearbox rated torque |
35N.m |
|
Noload current |
≤3.5A |
Gearbox max torque |
1.5xrated |
|
Noload speed |
3600rpm±10% |
Ambient temperature |
-10℃~+40℃ |
|
Work duty |
S2(10分钟10mins) |
Noise |
<65dB(L=100cm) |
|
Insulation resistance |
>20MΩ |
Wire diagram |
|
|
Brush life |
2000h |
||
|
Electrical strength |
660V/S |
||
|
Insulation class |
B |
||
|
Protection grade |
IP20 |
||
|
Reducer model |
82PN33.92K |
||
|
Reduction stage |
2 |
||
|
②Table of basic performance parameters of gearbox motor |
||
|
Type |
ZDL-1500W-S16V-001-00001 |
|
|
Rated voltage |
16V/90Hz AC(Controler 24V DC) |
|
|
Rated power |
1500W |
|
|
Rated current |
76A |
|
|
Rated speed |
2600rpm |
|
|
Rated torque |
5.5N.m |
|
|
Work duty |
S2-60min |
|
|
Insulation class |
F |
|
|
Protection grade |
IP42 |
|
|
Ambient temperature |
-10℃~+40℃ |
|
|
Noise |
<65dB(L=100cm) |
|
|
Temperature sensor |
Black AMP two-core terminal seat |
|
|
Encoder |
48 bites+black AMP four core terminal seat |
|
|
a |
V CC(YEL) |
|
|
b |
OUT A(WHT) |
|
|
c |
OUT B(BLU) |
|
|
d |
GND(BLK) |
|
|
Speed sensor |
||
|
③Brake basic performance specs |
|
|
Type |
CDC-C10(24V15)16G |
|
Rated voltage |
24V DC |
|
Rated power |
30W |
|
Brake torque |
16N.m |
|
Release voltage |
>1.5V DC |
|
Clutch voltage |
<16.8V DC |
|
④Geared drive wheel basic performance specs |
|
|
Type |
ZV-001 |
|
Ratio |
21:1 |
|
Wheel diameter |
250mm |
|
⑤Steer drive basic specs |
|
|
Ratio |
24:144 |
|
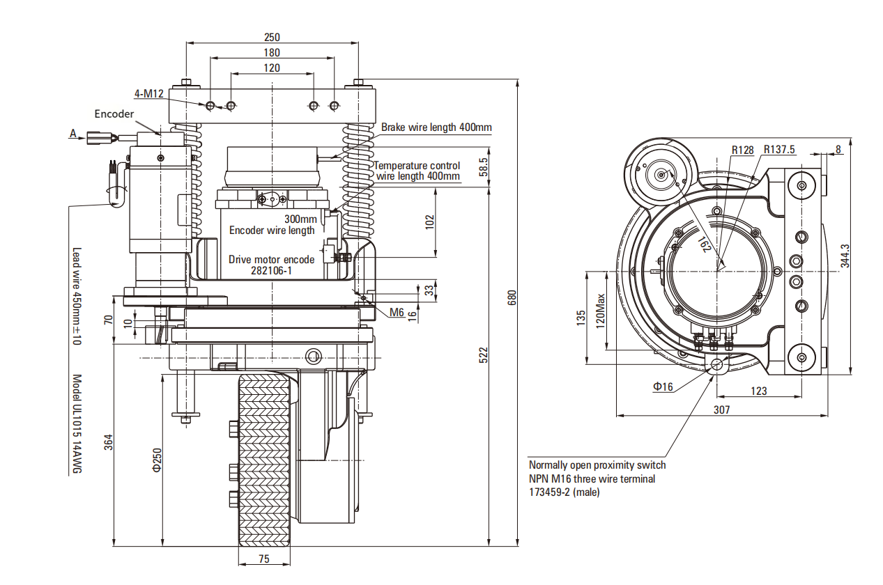
⑥Drive holder |
|
|
Drawing number |
- |


Ningbo Mito Intelligent Tech Co.,Ltd., along with its subsidiary Suzhou Mito Intelligent Equipment Co., Ltd., is a leading provider of industrial automation solutions specializing in the sales and customization of high-performance motion control products. With years of deep-rooted expertise in the automation industry, we are committed to delivering innovative, reliable, and efficient solutions to clients worldwide.
Ningbo Mito Intelligent Technology Co., Ltd., along with its subsidiary Suzhou Mito Intelligent Equipment Co., Ltd., is a leading provider of industrial automation solutions specializing in the sales and customization of...
View More