Motor Type: Steering Wheel
Voltage: 16V
Power: 1500W
|
①Geared drive wheel basic performance specs |
|
|
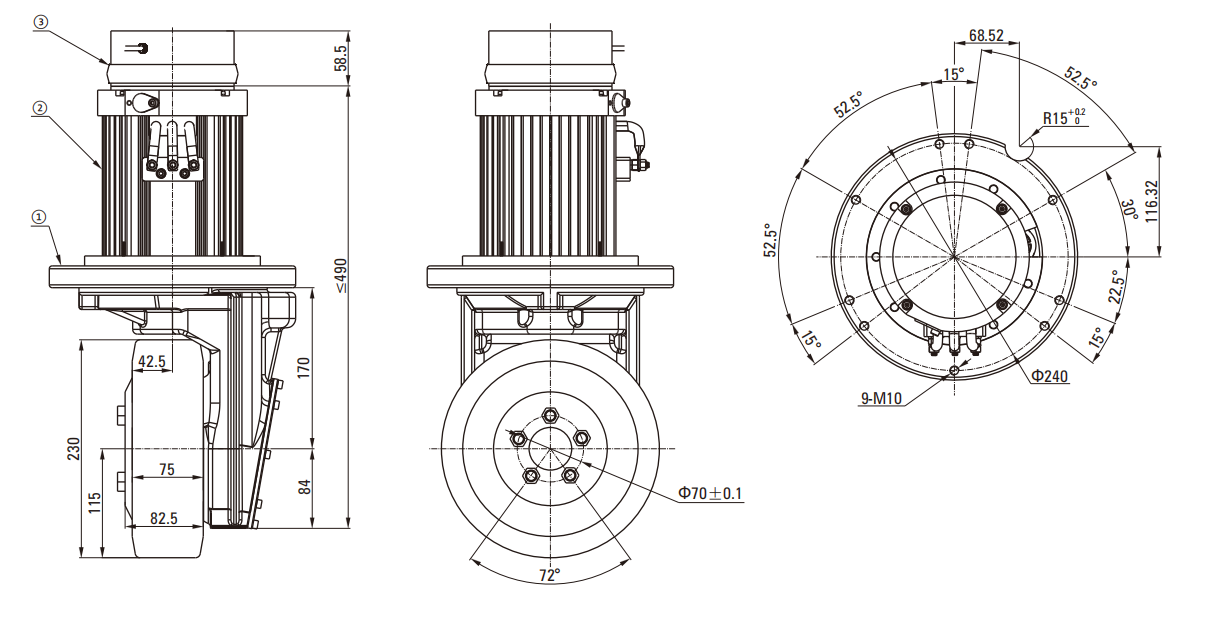
Type |
ZV-230-004 |
|
Ratio |
21.5K/25.59K |
|
Wheel diameter |
230mm |
|
Reducer rated load |
1300Kg |
|
Drive wheel output torque |
96.3N.m/114.6N.m |
|
Drived steer or not |
No drived steer |
|
②Table of basic performance parameters of gearbox motor |
||
|
Type |
ZDL-1.5KW-S16V |
|
|
Rated voltage |
16V/90Hz AC(Controler 24V DC) |
|
|
Rated power |
1.5KW |
|
|
Rated current |
76A |
|
|
Rated speed |
2590rpm |
|
|
Rated torque |
5.5N.m |
|
|
Work duty |
S2-60min |
|
|
Insulation resistance |
F |
|
|
Protection grade |
IP42 |
|
|
Ambient temperature |
-10℃~+40℃ |
|
|
Noise |
<75dB(L=100cm) |
|
|
Temperature sensor |
Black AMP two-core terminal seat |
|
|
Encoder |
48 bites+black AMP four core terminal seat |
|
|
a |
V CC(YEL) |
|
|
b |
OUT A(WHT) |
|
|
c |
0UT B(BLU) |
|
|
d |
GND(BLK) |
|
|
Speed sensor |
||
|
③Brake basic performance specs |
|
|
Type |
CDC-C10(24V15)16G |
|
Rated voltage |
24V DC |
|
Rated power |
30W |
|
Brake torque |
16N.m |
|
Release voltage |
>1.5VDC |
|
Clutch voltage |
<16.8V DC |


Ningbo Mito Intelligent Tech Co.,Ltd., along with its subsidiary Suzhou Mito Intelligent Equipment Co., Ltd., is a leading provider of industrial automation solutions specializing in the sales and customization of high-performance motion control products. With years of deep-rooted expertise in the automation industry, we are committed to delivering innovative, reliable, and efficient solutions to clients worldwide.
Ningbo Mito Intelligent Technology Co., Ltd., along with its subsidiary Suzhou Mito Intelligent Equipment Co., Ltd., is a leading provider of industrial automation solutions specializing in the sales and customization of...
View More