Motor Type: Steering Wheel
Voltage: 48V DC
Power: 1500W
|
Table of basic performance parameters of steering wheel drive motor |
|
|
Rated voltage |
48V DC |
|
Rated power |
1500W |
|
Rated current |
39A±10% |
|
Rated speed |
3000rpm |
|
Rated torque |
4.775N.m |
|
Working day |
S2(60min) |
|
Insulation grade |
F |
|
Level of protection |
IP54 |
|
Deceleration ratio |
30 |
|
The brake torque |
8N.m |
|
Encoder |
Incremental 2500-line optical encoder |
|
Use ambient temperature |
0~40℃ |
|
Noise |
≤58dB(A)L=1m |
|
Brake voltage V |
48 |
|
Steering motor parameter table |
|
|
Rated voltage |
48V DC |
|
Rated power |
400W |
|
Rated speed |
3000rpm |
|
Rated torque |
28.93N.M |
|
Deceleration ratio |
28.05 |
|
Encoder |
Incremental 2500 line |
|
(Deg/sec)To speed |
106.95 |
|
Whole unit parameter table |
|
|
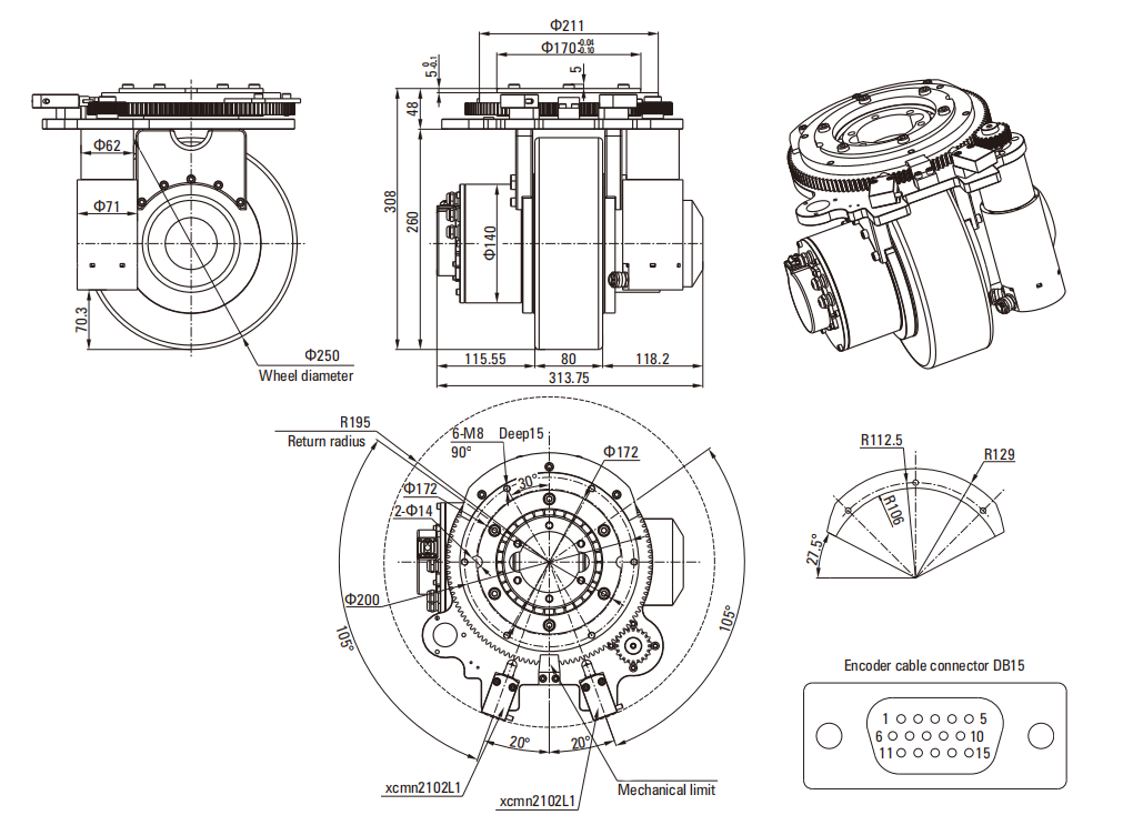
Rotation radius |
200 |
|
Linear velocity m/min |
78.5 |
|
Wheels can withstand positive pressure kg |
1500 |
|
Tractive force N |
928 |


Ningbo Mito Intelligent Tech Co.,Ltd., along with its subsidiary Suzhou Mito Intelligent Equipment Co., Ltd., is a leading provider of industrial automation solutions specializing in the sales and customization of high-performance motion control products. With years of deep-rooted expertise in the automation industry, we are committed to delivering innovative, reliable, and efficient solutions to clients worldwide.
Ningbo Mito Intelligent Technology Co., Ltd., along with its subsidiary Suzhou Mito Intelligent Equipment Co., Ltd., is a leading provider of industrial automation solutions specializing in the sales and customization of...
View More