Motor Type: 4IK
Power: 25W
Voltage: 110-380V
Gearbox Ratio: 3-180K
|
Model ·Type Lead Wire Type |
Output power W |
Voltage V |
Frequency Hz |
Speed Control Range r/min |
Allowance Torque |
Starting Torque mN.m |
Current A |
Capacitor μF |
|
|
Pinion Shaft |
1200r/min mN.m |
90r/min mN.m |
|||||||
|
4IK25RGN-A |
25 |
1ph 100 |
50 |
90~1400 |
190 |
47 |
88 |
0.50 |
8.0 |
|
60 |
90~1700 |
0.55 |
|||||||
|
41K25RGN-E |
25 |
1ph 110 |
60 |
90~1700 |
190 |
50 |
105 |
0.45 |
7.0 |
|
1ph 120 |
0.50 |
||||||||
|
41K25RGN-C |
25 |
1ph 220 |
50 |
90~1400 |
190 |
47 |
88 |
0.25 |
1.8 |
|
1ph 230 |
0.23 |
||||||||
|
4IK25RGN-H |
25 |
1ph 220 |
60 |
90~1700 |
190 |
45 |
88 |
0.23 |
1.8 |
|
1ph 230 |
|||||||||
|
Type Motor/Gearhead |
Gear Ratio |
3 |
5 |
7.5 |
9 |
10 |
12.5 |
15 |
18 |
20 |
25 |
30 |
36 |
50 |
60 |
75 |
90 |
100 |
120 |
150 |
180 |
||
|
Speed r/min |
50Hz |
500 |
300 |
200 |
166 |
150 |
120 |
100 |
83 |
75 |
60 |
50 |
42 |
30 |
25 |
20 |
16 |
15 |
12 |
10 |
8 |
||
|
60Hz |
600 |
360 |
240 |
200 |
180 |
144 |
120 |
100 |
90 |
72 |
60 |
50 |
36 |
30 |
24 |
20 |
18 |
15 |
12 |
10 |
|||
|
4IK25RGN-A□ 4IK25RGNE□ 4IK25RGN-C□ 4IK25RGNH□ |
4GNORC 4GN□RT |
Allowance Torque |
50Hz |
0.31 |
0.52 |
0.99 |
1.04 |
1.16 |
1.64 |
1.97 |
2.09 |
2.32 |
3.29 |
3.95 |
4.73 |
6.58 |
7.10 |
8.00 |
8.00 |
8.00 |
8.00 |
8.00 |
8.00 |
|
3.07 |
5.12 |
10.1 |
10.2 |
11.37 |
16.8 |
20.1 |
20.5 |
22.74 |
33.5 |
40.3 |
48.3 |
67.1 |
72.5 |
80.0 |
80.0 |
80.0 |
80.0 |
80.0 |
80.0 |
||||
|
60Hz |
0.26 |
0.44 |
0.80 |
0.87 |
0.97 |
1.33 |
1.59 |
1.74 |
1.93 |
2.65 |
3.18 |
3.82 |
5.30 |
5.73 |
7.16 |
8.00 |
8.00 |
8.00 |
8.00 |
8.00 |
|||
|
2.56 |
4.26 |
8.12 |
8.53 |
9.48 |
13.5 |
16.2 |
17.1 |
18.95 |
27.1 |
32.5 |
39.0 |
54.1 |
58.4 |
73.0 |
80.0 |
80.0 |
80.0 |
80.0 |
80.0 |
||||

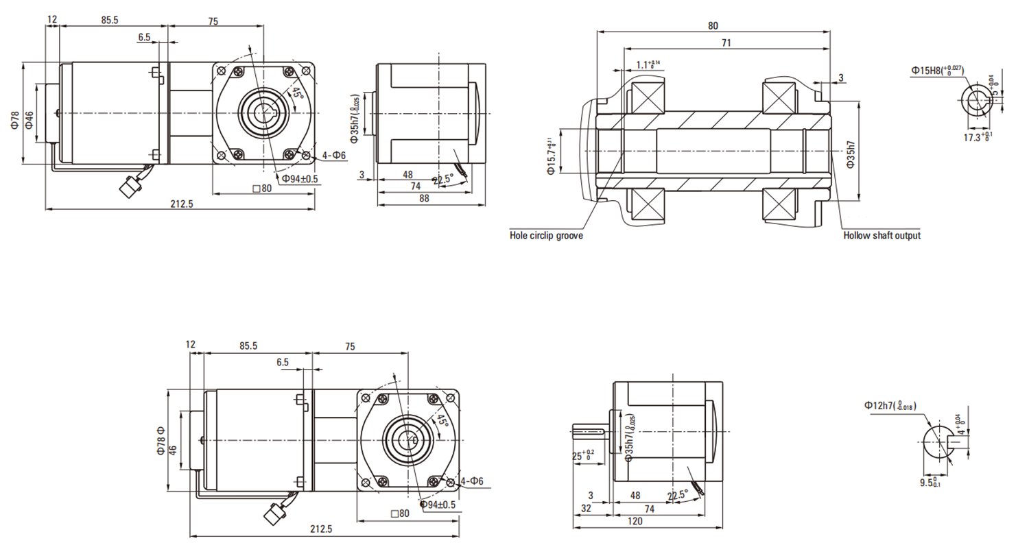
The low-fluctuation speed control motor is a high-performance power unit designed for industrial automation and light-to-medium mechanical transmission applications. It is specifically developed for operating conditions that require smooth speed regulation and continuous, stable output. This model has a rated power of 25W and supports a wide voltage input of 110V–380V, making it compatible with various power standards and enabling flexible deployment across different markets and operational scenarios. The motor features a compact structural design, allowing easy installation in space-constrained equipment, while offering excellent heat dissipation and mechanical strength to ensure reliable performance during continuous operation and extended low-speed use.
Through optimized stator-rotor structure and winding design, the motor maintains stable torque output across a wide frequency range, effectively minimizing vibrations and shocks caused by frequency fluctuations or load variations. Its low-fluctuation output characteristics make it particularly suitable for conveyors, automated sorting systems, small lifting devices, and packaging machinery. During speed adjustments, the motor can precisely match production cycle requirements, ensuring smooth operation and operational accuracy.
The motor can be paired with gearboxes ranging from 3–180K reduction ratios, providing flexible adjustment of output speed and torque to achieve precise power transmission and efficient load matching. By optimizing the combination of motor and reduction system, the motor delivers high-efficiency, stable output in a compact form factor, providing reliable, smooth, and controllable power support for industrial automation systems.

Ningbo Mito Intelligent Tech Co.,Ltd., along with its subsidiary Suzhou Mito Intelligent Equipment Co., Ltd., is a leading provider of industrial automation solutions specializing in the sales and customization of high-performance motion control products. With years of deep-rooted expertise in the automation industry, we are committed to delivering innovative, reliable, and efficient solutions to clients worldwide.
Ningbo Mito Intelligent Technology Co., Ltd., along with its subsidiary Suzhou Mito Intelligent Equipment Co., Ltd., is a leading provider of industrial automation solutions specializing in the sales and customization of...
View More