Product Type: Robot Reducer
Product Model: 14-32
Reduction Ratio:50-120
Backlash: ≤2.0 Arcmin ( Reduction Ratio 50)
≤1.0 Arcmin ( Reduction Ratio 80-120)
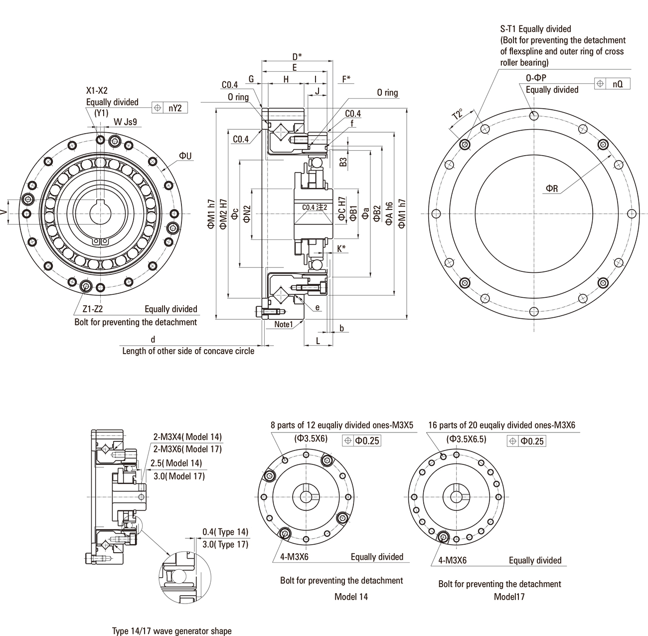
Dimensions Table
|
Model Symbol |
14 |
17 |
20 |
25 |
32 |
|
|
ΦA h6 |
50 |
60 |
70 |
85 |
110 |
|
|
ΦB1 |
14 |
18 |
21 |
26 |
26 |
|
|
ΦCH7 |
Standard |
6 |
8 |
9 |
11 |
14 |
|
Max |
8 |
10 |
13 |
15 |
15 |
|
|
D* |
SHF |
28.5+0-0.8 |
32.5+0-0.9 |
33.5+0-1.0 |
37+0-1.1 |
44+0-1.1 |
|
SHG |
28.5+0-0.8 |
32.5+0-0.9 |
33.5+0-1.0 |
37+0-1.1 |
44+0-1.1 |
|
|
E |
23.5 |
26.5 |
29 |
34 |
42 |
|
|
F* |
5 |
6 |
4.5 |
3 |
2 |
|
|
G |
2.4 |
3 |
3 |
3.3 |
3.6 |
|
|
H |
14.1 |
16 |
17.5 |
18.7 |
23.4 |
|
|
I |
7 |
7.5 |
8.5 |
12 |
15 |
|
|
J |
6 |
6.5 |
7.5 |
10 |
14 |
|
|
K* |
SHF |
0.4 |
0.3 |
0.1 |
2.1 |
2.5 |
|
SHG |
1.4 |
1.6 |
1.5 |
3.5 |
4.2 |
|
|
L |
SHF |
17.6+0-0.1 |
19.5+0-0.1 |
20.1+0-0.1 |
20.2+0-0.1 |
22+0-0.1 |
|
SHG |
18.5+0-0.1 |
20.7+0-0.1 |
21.5+0-0.1 |
21.6+0-0.1 |
23.6+0-0.1 |
|
|
ΦM1 |
70 |
80 |
90 |
110 |
142 |
|
|
ΦM2 |
48 |
60 |
70 |
88 |
114 |
|
|
0 |
8 |
12 |
12 |
12 |
12 |
|
|
ΦP |
3.5 |
3.5 |
3.5 |
4.5 |
5.5 |
|
|
ΦQ |
0.25 |
0.25 |
0.25 |
0.25 |
0.25 |
|
|
ΦR |
64 |
74 |
84 |
102 |
132 |
|
|
S |
2 |
4 |
4 |
4 |
4 |
|
|
T1 |
M3X6 |
M3X6 |
M3X8 |
M3X8 |
M4X8 |
|
|
T2 (Angle) |
22.5° |
15° |
15° |
15° |
15° |
|
|
ΦU |
44 |
54 |
62 |
77 |
100 |
|
|
V |
- |
10.4 |
12.8 |
16.3 |
||
|
W Js9 |
- |
- |
3 |
4 |
5 |
|
|
X1 |
12E.A.8 |
20 E.A.16 |
16 |
16 |
16 |
|
|
X2 |
M3X5 |
M3X6 |
M3X6 |
M4X7 |
M5X8 |
|
|
Y1 |
Φ3.5X6 |
Φ3.5X6.5 |
Φ3.5X7.5 |
Φ4.5X10 |
Φ5.5X14 |
|
|
Y2 |
0.25 |
0.25 |
0.25 |
0.25 |
0.25 |
|
|
Z1 |
4 |
4 |
4 |
4 |
4 |
|
|
Z2 |
M3X6 |
M3X6 |
M3X8 |
M3X10 |
M4X16 |
|
|
Housing inner wall |
Φa |
38 |
45 |
53 |
66 |
86 |
|
b |
1 |
1 |
1.5 |
1.5 |
1.5 |
|
|
Φc |
31 |
38 |
45 |
56 |
73 |
|
|
d |
1.7 |
2.1 |
2 |
2 |
2 |
|
|
e |
D49585 |
D59685 |
D69785 |
D84945 |
D1101226 |
|
|
Weight(kg) |
0.41 |
0.57 |
0.81 |
1.31 |
2.94 |
|
|
·Specification with *mark: The DF/K indicate the mounting position in the shaft direction and allowance of the three parts-wave generator,fleslin, cicuar spline. Strictly follow the requirement of these specifications as they affect the performance and intensity. |
||||||
|
·Please note that in he circular spline there does not incorporate an O-ing grove (ymbolf1. Pease provide alternate sealing arrangements during the designing and installing. |
||||||
|
·Due to the deformation of the Flexspline during operation, it is necessary to provide a minimum housing clearance, dimensions φa,b,c. |
||||||
|
·The wave generator is packed separately when the product is delivered. |
||||||
|
·The following dimensions can be modified to accommodate customer-specific requirements. Wave Generator: C Flexspline: 0 and P Circular Spline: X, and X₂. |
||||||


Ningbo Mito Intelligent Tech Co.,Ltd., along with its subsidiary Suzhou Mito Intelligent Equipment Co., Ltd., is a leading provider of industrial automation solutions specializing in the sales and customization of high-performance motion control products. With years of deep-rooted expertise in the automation industry, we are committed to delivering innovative, reliable, and efficient solutions to clients worldwide.
Ningbo Mito Intelligent Technology Co., Ltd., along with its subsidiary Suzhou Mito Intelligent Equipment Co., Ltd., is a leading provider of industrial automation solutions specializing in the sales and customization of...
View More