Features
High precision、designed for servo, stepping motor design.
High rigidity, Keyway design, High Torque.
Seamless connection shaft and sleeve, Suitable for forward reverse.
Shrapnel madeof stainless steel, particularly good fatigue resistance.
Top tight type.
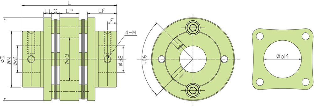
Dimensions (Unit): mm
|
Model |
ØD |
ON |
L1 |
L |
LF |
LP |
Ød3 |
Ød4 |
S |
F |
M |
Wrench Torque(N ·M) |
|
CLTG-56×65 |
Ø56 |
38 |
5 |
64.9 |
19.9 |
13.5 |
Ø25 |
Ø26 |
5.8 |
7.45 |
4-M6×10 |
8.4 |
|
CLTG-68×78 |
Ø68 |
46 |
6 |
77.5 |
24 |
15.7 |
Ø35 |
Ø36 |
6.9 |
9 |
4-M8×12 |
16 |
|
CLTG-82×99 |
Ø82 |
56 |
8 |
97.8 |
30 |
22 |
Ø42 |
Ø41 |
8.9 |
11 |
4-M8×14 |
16 |
|
CLTG-94×100 |
Ø94 |
100 |
10 |
100 |
30 |
22 |
Ø51 |
⊗51 |
8.9 |
10 |
4-M8×16 |
16 |
|
CLTG-104×110 |
Ø104 |
100 |
10 |
110 |
35 |
22 |
Ø61 |
Ø61 |
8.9 |
12.5 |
4-M8×16 |
16 |
Specifications
|
Model |
Rated torque(N ·M) |
Maximum torque(N ·M) |
Allow Radial direction(mm) |
Allow angle(°) |
Allow Axis(mm) |
Maximum speed(rpm) |
Static torsional siffness(N ·Mrad) |
Moment of inertia(kg ·M²) |
Bushings Material |
Flexible colloidal material |
Surface Treatment |
Weigh(g) |
|
CLTG-56×65 |
35 |
70 |
0.3 |
1.5° |
±0.72 |
10000 |
20000 |
1.8×10⁻⁴ |
S45C |
SUS 304 |
Nigrescence |
546 |
|
CLTG-68×78 |
72 |
144 |
0.3 |
1.5° |
±0.8 |
8000 |
35000 |
4.5×10⁻⁴ |
910 |
|||
|
CLTG-82×99 |
120 |
240 |
0.3 |
1.5° |
±0.8 |
6000 |
54000 |
7.0×10⁻⁴ |
1695 |
|||
|
CLTG-94×100 |
190 |
380 |
0.3 |
1.5° |
±0.8 |
5000 |
150000 |
8.4×10⁻⁴ |
2253 |
|||
|
CLTG-104×110 |
250 |
500 |
0.3 |
1.5° |
±0.8 |
5000 |
180000 |
9.2×10⁻⁴ |
3128 |
Note: The above technical parameters are measured based on the maximum aperture specification.
Standard axle diameter
|
Model |
Standard axle diameter(ØD1、ØD2)mm |
|||||||||||||||||||
|
12 |
12.7 |
14 |
15 |
16 |
17 |
18 |
19 |
20 |
22 |
24 |
25 |
28 |
30 |
32 |
35 |
38 |
40 |
42 |
45 |
|
|
CLTG-56×65 |
● |
● |
● |
● |
● |
● |
● |
● |
● |
● |
● |
● |
||||||||
|
CLTG-68×78 |
● |
● |
● |
● |
● |
● |
● |
● |
● |
|||||||||||
|
CLTG-82×99 |
● |
● |
● |
● |
● |
● |
||||||||||||||
|
CLTG-94×100 |
● |
● |
● |
● |
● |
● |
● |
● |
● |
|||||||||||
|
CLTG-104×110 |
● |
● |
● |
● |
● |
● |
● |
● |
● |
● |
||||||||||



Ningbo Mito Intelligent Tech Co.,Ltd., along with its subsidiary Suzhou Mito Intelligent Equipment Co., Ltd., is a leading provider of industrial automation solutions specializing in the sales and customization of high-performance motion control products. With years of deep-rooted expertise in the automation industry, we are committed to delivering innovative, reliable, and efficient solutions to clients worldwide.
Ningbo Mito Intelligent Technology Co., Ltd., along with its subsidiary Suzhou Mito Intelligent Equipment Co., Ltd., is a leading provider of industrial automation solutions specializing in the sales and customization of...
View More