Motor Type: 5RK
Power: 60W
Voltage: 110-380V
Gearbox Ratio: 3-200K
Shaft Type: GN Type
|
Model ·Type Lead Wire Type |
Rating |
Output Power W |
Voltage V |
Frequeny Hz |
Current A |
Starting Torque mN.m |
Rated Torque mN.m |
Rated Speed r/min |
Capacitor μF |
|
|
Pinion Shaft |
Round Shaft |
|||||||||
|
5RK60GN-AFM |
5RK60A-AFM |
30min |
60 |
1ph 100 |
50 |
1.26 |
470 |
470 |
1250 |
25.0 |
|
60 |
1.70 |
380 |
1550 |
|||||||
|
5RK60GN-EFM |
5RK60A-EFM |
30min |
60 |
1ph 110 |
60 |
1.05 |
330 |
380 |
1550 |
15.0 |
|
1ph 120 |
380 |
|||||||||
|
5RK60GN-CFM |
5RK60A-CFM |
30min |
60 |
1ph 220 |
50 |
0.55 |
420 |
470 |
1250 |
4.5 |
|
1ph 230 |
0.60 |
460 |
||||||||
|
5RK60GN-HFM |
5RK60A-HFM |
30min |
60 |
1ph 220 |
60 |
0.55 |
420 |
380 |
1550 |
4.5 |
|
1ph 230 |
0.60 |
460 |
||||||||
|
5RK60GN-SFM |
5RK60A-SFM |
30min |
60 |
3ph 220 |
50 |
0.45 |
1000 |
470 |
1250 |
- |
|
60 |
0.40 |
800 |
380 |
1550 |
||||||
|
5RK60GN-S3FM |
5RK60A-S3FM |
30min |
60 |
3ph 380 |
50 |
0.26 |
1000 |
470 |
1250 |
- |
|
60 |
0.23 |
800 |
380 |
1550 |
||||||
|
Type Motor/Gearhead |
Gear Ratio |
3 |
3.6 |
5 |
6 |
7.5 |
9 |
10 |
12.5 |
15 |
18 |
20 |
25 |
30 |
36 |
40 |
50 |
60 |
75 |
90 |
100 |
120 |
150 |
180 |
200 |
|
|
Speed r/min |
50Hz |
500 |
417 |
300 |
250 |
200 |
166 |
150 |
120 |
100 |
83 |
75 |
60 |
50 |
41 |
37 |
30 |
25 |
20 |
16 |
15 |
12.5 |
10 |
8.3 |
7.5 |
|
|
60Hz |
600 |
500 |
360 |
300 |
240 |
200 |
180 |
144 |
120 |
100 |
90 |
72 |
60 |
50 |
45 |
36 |
30 |
24 |
20 |
18 |
15 |
12 |
10 |
9 |
||
|
5RK60GN-AFM 5RK60GN-EFM 5RK60GN-CFM 5RK60GN-HFM 5RK60GN-SFM 5RK60GN-S3FM |
5GNOK |
50Hz |
1.10 |
1.40 |
1.90 |
2.30 |
2.90 |
3.40 |
3.57 |
4.80 |
5.70 |
6.80 |
7.03 |
8.60 |
10.0 |
0.0 |
10.0 |
10.0 |
10.0 |
10.0 |
10.0 |
10.0 |
10.0 |
10.0 |
10.0 |
10.0 |
|
11.2 |
14.2 |
19.3 |
23.4 |
29.6 |
34.7 |
36.4 |
48.9 |
58.1 |
69.3 |
71.7 |
87.7 |
100 |
100 |
100 |
100 |
100 |
100 |
100 |
100 |
100 |
100 |
100 |
100 |
|||
|
60Hz |
0.92 |
1.10 |
1.50 |
1.80 |
2.30 |
2.80 |
2.99 |
3.80 |
4.60 |
5.50 |
5.70 |
6.90 |
8.30 |
10.0 |
10.0 |
10.0 |
10.0 |
10.0 |
10.0 |
10.0 |
10.0 |
10.0 |
10.0 |
10.0 |
||
|
9.38 |
11.2 |
15.3 |
18.3 |
23.4 |
28.5 |
30.5 |
38.7 |
46.9 |
56.1 |
58.2 |
70.4 |
84.7 |
100 |
100 |
100 |
100 |
100 |
100 |
100 |
100 |
100 |
100 |
100 |
|||

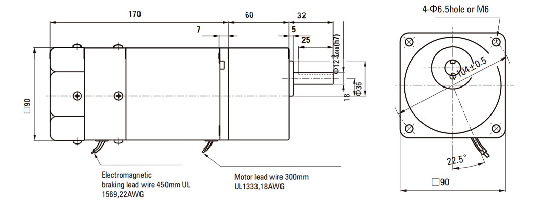
The low-noise AC brake motor is a drive product designed for industrial applications with specific requirements for quiet operation and stability. While maintaining output capability, it prioritizes optimized vibration control and smooth braking. This model utilizes a 5RK motor structure, with a rated power of 60W, maintaining excellent operational balance even at higher power levels, providing stable and reliable power support for equipment in continuous or intermittent operation.
This product can be paired with a reduction ratio range of 3–200K, enabling smooth transmission while meeting the demands for low speed and high torque. By rationally selecting the reduction ratio, the motor's speed fluctuations during actual operation can be effectively reduced, minimizing mechanical vibration and noise transmission at the source. This model uses a GN-type output shaft structure, exhibiting excellent performance in connection stability and coaxiality control, which helps reduce additional vibrations caused by installation errors and positively contributes to improving the overall quietness of the machine.
The low-noise AC brake motor is ideal for laboratory equipment, automated assembly stations, testing instruments, small conveyor systems, and production environments sensitive to noise control. Its design philosophy emphasizes achieving a balance between quiet operation and reliable braking at higher output power, providing equipment manufacturers and system integrators with an AC brake motor solution that combines performance and environmental friendliness.

Ningbo Mito Intelligent Tech Co.,Ltd., along with its subsidiary Suzhou Mito Intelligent Equipment Co., Ltd., is a leading provider of industrial automation solutions specializing in the sales and customization of high-performance motion control products. With years of deep-rooted expertise in the automation industry, we are committed to delivering innovative, reliable, and efficient solutions to clients worldwide.
Ningbo Mito Intelligent Technology Co., Ltd., along with its subsidiary Suzhou Mito Intelligent Equipment Co., Ltd., is a leading provider of industrial automation solutions specializing in the sales and customization of...
View More