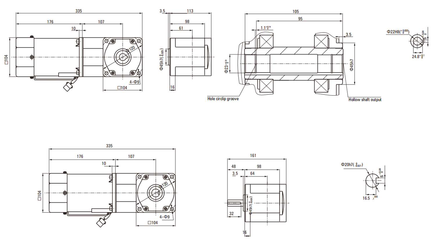
Motor Type: 6IK
Power: 140W
Voltage: 110-380V
Gearbox Ratio: 3-180K
|
Model ·Type Lead Wire Type |
Output power W |
Voltage V |
Frequency Hz |
Speed Control Range r/min |
Allowance Torque |
Starting Torque mN.m |
Current |
Capacitor μF |
|
|
Pinion Shaft |
1200r/min |
90r/min |
|||||||
|
6IK140RGU-AF |
140 |
1ph 100 |
50 |
90~1400 |
830 |
420 |
620 |
2.70 |
35 |
|
60 |
90~1700 |
3.00 |
|||||||
|
6IK140RGU-EF |
140 |
1ph 110 |
60 |
90~1700 |
830 |
450 |
620 |
1.80 |
25 |
|
1ph 120 |
1.95 |
||||||||
|
6IK140RGU-CF |
140 |
1ph 220 |
50 |
90~1400 |
830 |
420 |
620 |
1.05 |
10 |
|
1ph 230 |
1.15 |
||||||||
|
6IK140RGU-HF |
140 |
1ph 220 |
60 |
90~1700 |
830 |
450 |
620 |
1.05 |
10 |
|
1ph 230 |
1.15 |
||||||||
|
Type Motor/Gearhead |
Gear Ratio |
3 |
3.6 |
5 |
6 |
7.5 |
9 |
10 |
12.5 |
15 |
18 |
20 |
25 |
30 |
36 |
40 |
50 |
60 |
75 |
90 |
100 |
120 |
150 |
180 |
||
|
Speed r/min |
50Hz |
500 |
417 |
300 |
250 |
200 |
166 |
150 |
120 |
100 |
83 |
75 |
60 |
50 |
42 |
37 |
30 |
25 |
20 |
16 |
15 |
12 |
10 |
8 |
||
|
60Hz |
600 |
500 |
360 |
300 |
240 |
200 |
180 |
144 |
120 |
100 |
90 |
72 |
60 |
50 |
45 |
36 |
30 |
24 |
20 |
18 |
15 |
12 |
10 |
|||
|
6IK140RGUAF□ |
6GU□RC |
Allowance Torque |
50Hz |
1.75 |
2.11 |
2.92 |
3.01 |
4.97 |
5.85 |
6.5 |
9.21 |
11.0 |
11.7 |
13.0 |
18.4 |
22.1 |
23.4 |
26.0 |
33.1 |
39.8 |
49.7 |
59.6 |
60.0 |
60.0 |
60.0 |
60.0 |
|
17.2 |
20.6 |
28.7 |
29.5 |
50.7 |
57.3 |
63.7 |
93.9 |
113 |
115 |
127 |
188 |
225 |
229 |
255 |
338 |
406 |
507 |
600 |
600 |
600 |
600 |
600 |
||||
|
60Hz |
1.46 |
1.75 |
2.44 |
2.92 |
4.01 |
4.87 |
5.41 |
7.42 |
8.91 |
9.75 |
10.8 |
14.8 |
17.8 |
19.5 |
21.7 |
26.7 |
32.1 |
40.1 |
48.1 |
53.4 |
60.0 |
60.0 |
60.0 |
|||
|
14.3 |
17.2 |
23.9 |
28.7 |
40.9 |
47.8 |
53.1 |
75.8 |
90.9 |
95.5 |
06.1 |
152 |
182 |
191 |
212 |
273 |
327 |
409 |
491 |
545 |
600 |
600 |
600 |
||||


Ningbo Mito Intelligent Tech Co.,Ltd., along with its subsidiary Suzhou Mito Intelligent Equipment Co., Ltd., is a leading provider of industrial automation solutions specializing in the sales and customization of high-performance motion control products. With years of deep-rooted expertise in the automation industry, we are committed to delivering innovative, reliable, and efficient solutions to clients worldwide.
Ningbo Mito Intelligent Technology Co., Ltd., along with its subsidiary Suzhou Mito Intelligent Equipment Co., Ltd., is a leading provider of industrial automation solutions specializing in the sales and customization of...
View More