Motor Type: 5RK
Power: 60W
Voltage: 110-380V
Gearbox Ratio: 3-180K
|
Model ·Type Lead Wire Type |
Rating |
Output power W |
Voltage V |
Frequency Hz |
Current A |
Starting Torque mN.m |
Rated Torque mN.m |
Rated Speed r/min |
Capacitor μF |
|
Pinion Shaft |
|||||||||
|
5RK60GU-AFM |
30min |
60 |
1ph 100 |
50 |
1.26 |
470 |
470 |
1250 |
25 |
|
60 |
1.70 |
380 |
1550 |
||||||
|
5RK60GU-EFM |
30min |
60 |
1ph 110 |
60 |
1.05 |
330 |
380 |
1550 |
15 |
|
1ph 120 |
0.85 |
380 |
|||||||
|
5RK60GU-CFM |
30min |
60 |
1ph 220 |
50 |
0.55 |
420 |
470 |
1250 |
4.5 |
|
1ph 230 |
0.60 |
460 |
|||||||
|
5RK60GU-HFM |
30min |
60 |
1ph 220 |
60 |
0.55 |
420 |
380 |
1550 |
4.5 |
|
1ph 230 |
0.60 |
460 |
|||||||
|
5RK60GU-SFM |
30min |
60 |
3ph 220 |
50 |
0.45 |
1000 |
470 |
1250 |
- |
|
60 |
0.40 |
800 |
380 |
1550 |
|||||
|
5RK60GU-S3FM |
30min |
60 |
3ph 380 |
50 |
0.26 |
1000 |
470 |
1250 |
- |
|
60 |
0.23 |
800 |
380 |
1550 |
|
Type Motor/Gearhead |
Gear Ratio |
3 |
3.6 |
5 |
6 |
7.5 |
9 |
10 |
12.5 |
15 |
18 |
20 |
25 |
30 |
36 |
50 |
60 |
75 |
90 |
100 |
120 |
150 |
180 |
||
|
Speed r/min |
50Hz |
500 |
417 |
300 |
250 |
200 |
166 |
150 |
120 |
100 |
83 |
75 |
60 |
50 |
42 |
30 |
25 |
20 |
16 |
15 |
12 |
10 |
8 |
||
|
60Hz |
600 |
500 |
360 |
300 |
240 |
200 |
180 |
144 |
120 |
100 |
90 |
72 |
60 |
50 |
36 |
30 |
24 |
20 |
18 |
15 |
12 |
10 |
|||
|
5RKG0GUAF□M 5RKGOGUF□M 5RKB0GUCF□M 5RK60GUH□M 5RKGOGUSF□M 5RKB0GUS3F□M |
5GU□RC 5GU□RT |
Allowance Torque |
50Hz |
0.75 |
0.90 |
1.25 |
1.50 |
2.37 |
2.76 |
3.06 |
3.95 |
4.73 |
5.51 |
6.13 |
7.89 |
9.47 |
10.2 |
14.2 |
17.0 |
20.0 |
20.0 |
20.0 |
20.0 |
20.0 |
20.0 |
|
7.37 |
8.84 |
12.3 |
14.7 |
24.2 |
27.0 |
30.0 |
40.3 |
48.3 |
54.0 |
60.0 |
80.5 |
96.6 |
104 |
145 |
174 |
200 |
200 |
200 |
200 |
200 |
200 |
||||
|
60Hz |
0.63 |
0.75 |
1.04 |
1.25 |
1.91 |
2.30 |
2.55 |
3.18 |
3.82 |
4.59 |
5.11 |
6.36 |
7.64 |
8.25 |
11.5 |
13.7 |
17.2 |
20.0 |
20.0 |
20.0 |
20.0 |
20.0 |
|||
|
6.14 |
7.37 |
10.2 |
12.3 |
19.5 |
22.5 |
25.0 |
32.5 |
39.0 |
45.0 |
50.0 |
64.9 |
77.9 |
84.1 |
117 |
140 |
175 |
200 |
200 |
200 |
200 |
200 |
||||

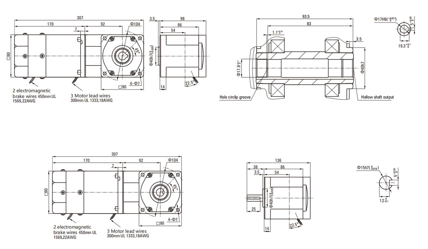
The multi-voltage adaptable AC brake motor is a general-purpose drive product designed to meet the application needs of multiple regions and systems, focusing on solving the compatibility issues of equipment selection and deployment under different power supply conditions. This model utilizes a 5RK motor structure, further optimizing the winding parameters based on a mature electromagnetic design, allowing the motor to maintain stable operation at different voltage levels. With a rated power of 60W, it can meet the continuous drive requirements under medium to high load conditions, providing reliable power support for automated equipment.
In terms of electrical characteristics, the product supports a wide voltage input range of 110V–380V, flexibly adapting to single-phase or various industrial power supply environments. It is particularly suitable for export equipment, cross-regional projects, and system applications that require compatibility with multiple power supply standards. The wide voltage design not only simplifies electrical configuration but also reduces replacement costs due to voltage differences, improving the versatility of the equipment in different application scenarios. The motor's built-in braking mechanism acts quickly upon power failure or shutdown, generating a stable braking torque to ensure reliable load positioning and enhance overall system safety.
This multi-voltage adaptable AC brake motor is widely applicable to automated production lines, packaging equipment, material handling systems, and complete sets of machinery used in different countries and regions. Its design philosophy emphasizes the combination of voltage compatibility and operational stability, providing equipment manufacturers and system integrators with a highly adaptable AC brake motor solution for globalized application environments.

Ningbo Mito Intelligent Tech Co.,Ltd., along with its subsidiary Suzhou Mito Intelligent Equipment Co., Ltd., is a leading provider of industrial automation solutions specializing in the sales and customization of high-performance motion control products. With years of deep-rooted expertise in the automation industry, we are committed to delivering innovative, reliable, and efficient solutions to clients worldwide.
Ningbo Mito Intelligent Technology Co., Ltd., along with its subsidiary Suzhou Mito Intelligent Equipment Co., Ltd., is a leading provider of industrial automation solutions specializing in the sales and customization of...
View More