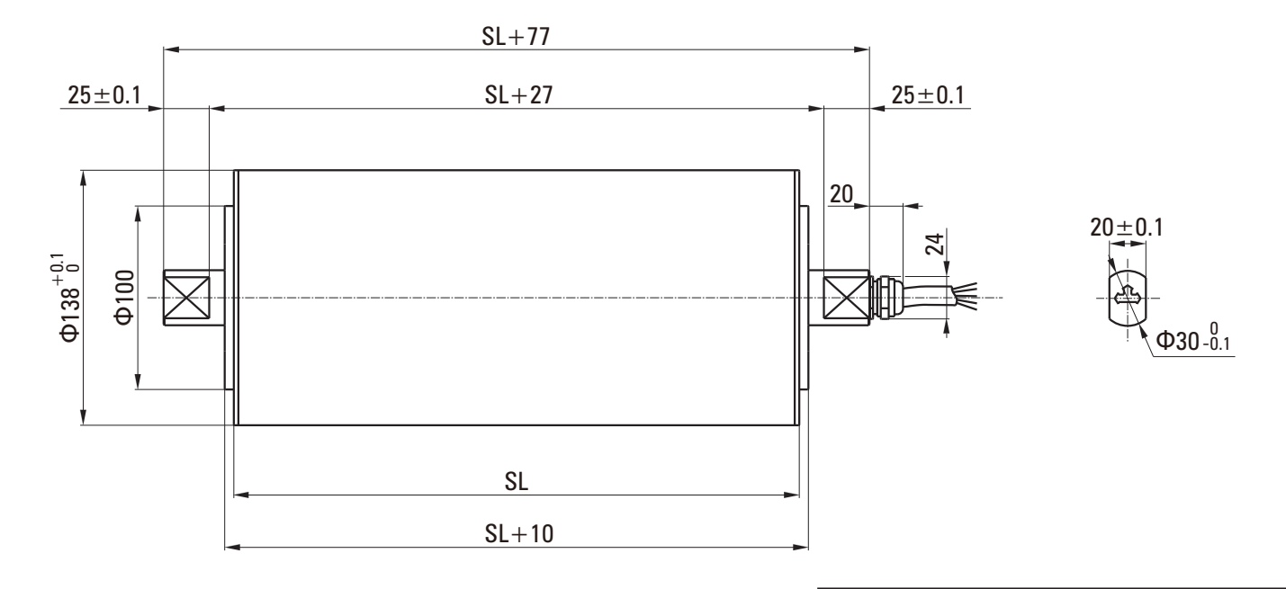
Motor Type: AC138
Power: 0.75-1.1KW
Voltage: 220V & 380V
Max Speed: 0.75KW 0.23-0.78 M/S
1.1KW 0.48-1.62M/S
External Drum material: 304 stainless steel pipe, rubber coated, Carbon steel pipe
|
Rated Power P |
Series |
Gear Box Series |
Reduction Ratio |
Linear Velocity |
Rated Speed n |
Rated Torque T |
FTraction F |
Length L |
|
0.75 |
4 |
2 |
12.50 |
0.78 |
108.0 |
55.8 |
809 |
450 |
|
16.67 |
0.59 |
81.0 |
74.4 |
1079 |
450 |
|||
|
3 |
24.36 |
0.40 |
55.4 |
108.7 |
1576 |
450 |
||
|
29.71 |
0.33 |
45.4 |
132.6 |
1923 |
450 |
|||
|
34.13 |
0.29 |
39.6 |
152.3 |
2209 |
450 |
|||
|
39.47 |
0.25 |
34.2 |
176.2 |
2554 |
450 |
|||
|
42.59 |
0.23 |
31.7 |
190.1 |
2756 |
450 |
|||
|
1.1 |
2 |
2 |
12.50 |
1.62 |
224.0 |
39.5 |
572 |
450 |
|
16.67 |
1.21 |
168.0 |
52.6 |
763 |
450 |
|||
|
3 |
24.36 |
0.83 |
114.9 |
76.9 |
1115 |
450 |
||
|
29.71 |
0.68 |
94.2 |
93.8 |
1360 |
450 |
|||
|
34.13 |
0.59 |
82.0 |
107.7 |
1562 |
450 |
|||
|
39.47 |
0.51 |
70.9 |
124.6 |
1806 |
450 |
|||
|
42.59 |
0.48 |
65.7 |
134.4 |
1949 |
450 |


Ningbo Mito Intelligent Tech Co.,Ltd., along with its subsidiary Suzhou Mito Intelligent Equipment Co., Ltd., is a leading provider of industrial automation solutions specializing in the sales and customization of high-performance motion control products. With years of deep-rooted expertise in the automation industry, we are committed to delivering innovative, reliable, and efficient solutions to clients worldwide.
Ningbo Mito Intelligent Technology Co., Ltd., along with its subsidiary Suzhou Mito Intelligent Equipment Co., Ltd., is a leading provider of industrial automation solutions specializing in the sales and customization of...
View More